新宏泰
首页
企业概况
企业简介
企业荣誉
愿景规划
对外公告
形象展示
产品纵览
断路器
电机
模塑制品
模塑材料
新闻中心
公司新闻
媒体报道
图片新闻
分技术委员会
简介
批文
章程
体系框架
秘书处工作细则
投资关系
信息披露
公司治理
股票信息
投资咨询
新宏泰团队
团队介绍
项目实例
战略合作伙伴
联系我们
联系方式
人才理念
招贤纳士
登录
EN
主页
>
产品纵览
>
电机
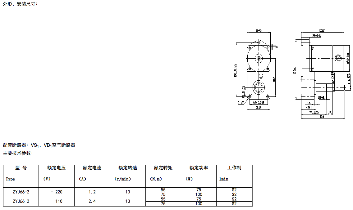
ZYJ66型系列永磁直流电动机
产品型号:
外观尺寸:
产品净重:
产品颜色:
相关参数/资料下载
产品介绍
返回
无锡新宏泰电器科技股份有限公司版权所有 备案号:
苏ICP备12036393号-1
苏公网安备32020602001522
E总机:0510-83572670 传真:0510-83741314
Top